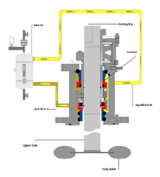
| NDMS DOUBLE SEAL |
|---|
| D1(mm) | D2 | D3 | D4 | D5 | L2 | L3 | A1(min) | A1(max) | S | |
|---|---|---|---|---|---|---|---|---|---|---|
| 25 | 1.000 | 34 | 68 | - | 148 | 41.5 | 40.5 | 100 | 132 | 11 |
| 28 | 1.125 | 34 | 68 | 55 | 148 | 41.5 | 40.5 | 100 | 132 | 11 |
| 30 | - | 34 | 68 | 55 | 148 | 41.5 | 40.5 | 100 | 132 | 11 |
| 32 | 1.250 | 39 | 73 | 60 | 153 | 41.5 | 40.5 | 105 | 137 | 11 |
| 35 | 1.375 | 39 | 73 | 60 | 153 | 41.5 | 40.5 | 105 | 137 | 11 |
| 38 | 1.500 | 44 | 78 | 65 | 158 | 41.5 | 40.5 | 110 | 142 | 11 |
| 40 | - | 44 | 78 | 65 | 158 | 41.5 | 40.5 | 110 | 142 | 11 |
| 45 | 1.625 | 49 | 83 | 68 | 163 | 41.5 | 40.5 | 115 | 152 | 11 |
| 1.750 | 49 | 83 | 68 | 163 | 41.5 | 40.5 | 115 | 152 | 11 | |
| 48 | 1.875 | 54 | 88 | 73 | 178 | 41.5 | 40.5 | 125 | 160 | 14 |
| 50 | - | 54 | 88 | 73 | 178 | 41.5 | 40.5 | 125 | 160 | 14 |
| 55 | 2.000 | 59 | 93 | 78 | 183 | 41.5 | 40.5 | 130 | 165 | 14 |
| - | 2.125 | 59 | 93 | 78 | 183 | 41.5 | 40.5 | 130 | 165 | 14 |
| 60 | 2.250 | 64 | 98 | 85 | 188 | 41.5 | 40.5 | 135 | 170 | 14 |
| 65 | 2.375 | 69 | 103 | 90 | 193 | 44.5 | 40.5 | 140 | 175 | 14 |
| - | 2.500 | 69 | 103 | 90 | 193 | 44.5 | 40.5 | 140 | 175 | 14 |
| 70 | 2.625 | 74 | 108 | 95 | 198 | 44.5 | 43.5 | 145 | 180 | 14 |
| - | 2.750 | 74 | 108 | 95 | 198 | 44.5 | 43.5 | 145 | 180 | 14 |
| 75 | 2.875 | 79 | 113 | 100 | 203 | 44.5 | 43.5 | 150 | 185 | 14 |
| 80 | 3.000 | 84 | 118 | 105 | 208 | 44.5 | 43.5 | 155 | 190 | 14 |
| 85 | 3.250 | 89 | 123 | 110 | 213 | 44.5 | 43.5 | 160 | 195 | 14 |
| 90 | 3.500 | 94 | 128 | 115 | 218 | 44.5 | 43.5 | 165 | 200 | 14 |
| 95 | 3.750 | 99 | 133 | 120 | 223 | 44.5 | 43.5 | 170 | 205 | 14 |
| 100 | - | 104 | 138 | 125 | 228 | 44.5 | 43.5 | 175 | 210 | 14 |
| 105 | 4.000 | 109 | 143 | 130 | 233 | 44.5 | 43.5 | 180 | 215 | 14 |
| 110 | 4.250 | 114 | 148 | 135 | 238 | 44.5 | 43.5 | 185 | 220 | 14 |
| 115 | 4.500 | 119 | 153 | 140 | 267 | 44.5 | 43.5 | 196 | 243 | 18 |
| 125 | 4.750 | 129 | 163 | 150 | 277 | 44.5 | 43.5 | 206 | 253 | 18 |
| 140 | 5.000 | 144 | 178 | 165 | 297 | 44.5 | 43.5 | 221 | 273 | 18 |
| - | 5.250 | 144 | 178 | 165 | 297 | 44.5 | 43.5 | 221 | 273 | 18 |
| - | 5.500 | 144 | 178 | 165 | 297 | 44.5 | 43.5 | 221 | 273 | 18 |
| 150 | 5.750 | 154 | 188 | 175 | 307 | 44.5 | 43.5 | 231 | 283 | 18 |
| 160 | 6.000 | 164 | 198 | 185 | 317 | 44.5 | 43.5 | 241 | 283 | 18 |
| - | 6.250 | 164 | 198 | 185 | 317 | 44.5 | 43.5 | 241 | 293 | 18 |
NDMS DOUBLE SEALS FOR AGIATTOR